- MatièresAcier
- CouleurRouge
- FinitionRouillé
- Réf. ManoManoME13080564
- Réf. fabricant6603725
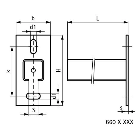
- plaque murale avec profil soudé
- convient à une suspension au plafond
- les trous de fixation sont oblongs et placés perpendiculairement pour faciliter le positionnement
- soudé au CO2
- un côté est pourvu d’une graduation continue en centimètres
- matière : acier
- traitement de surface :
- ce produit fait partie de la gamme BIS UltraProtect® 1000
- convient aux applications en intérieur et en extérieur
- résiste au minimum 1 000 heures au brouillard salin (max. 5% de rouille rouge), test réalisé conformément à la norme ISO 9227
- pour plus d’information concernant les charges maximum admissibles (Fa,z), se référer aux tableaux de charges ou à notre document en-ligne Informations techniques BIS RapidRail®
Caractéristiques :
| Code article | L | B (mm) | H (mm) | s (mm) | d1 (mm) | S (mm) | k (mm) |
| 6603715 | 150 mm | 38 | 110 | 4 | 25 x 11 | 15 | 70 |
| 6603725 | 250 mm | 38 | 110 | 4 | 25 x 11 | 15 | 70 |










Avis
Il n’y a pas encore d’avis.